Marshall Park G15RCD 1x8" 15W Combo Amp, Audio, Other Audio Equipment

Marshall Amp G15rcd. Marshall MG G15RCD 2Channel 15Watt 1x8" Solid State Guitar Combo G15RCD musical instrument amplifier pdf manual download. Find many great new & used options and get the best deals for Marshall G15RCD Solid State 45 watt Combo Guitar Amp E1 at the best online prices at eBay! Free shipping for many products!

Marshall G15RCD 15W Home Studio Portable Electric Guitar Amplifier eBay
Marshall G15RCD 15W Home Studio Portable Electric Guitar Amplifier eBay from www.ebay.com

The thing isn't going to sound like your Marshall JCM 800 or Marshall JVM amp or anything but it was never built to compete with something like that Nov 04, 2011 08:19 am Nov 04, 2011 08:19 am I play all sorts of music.

Marshall G15RCD 15W Home Studio Portable Electric Guitar Amplifier eBay

Last generation Park amplifier before Marshall took the name in-house and moved onto the MG series of amplification Marshall MG G15RCD 2-Channel 15-Watt 1x8" Solid State Guitar Combo 2000 - 2003 My Marshall G15RCD was made in Korea, not sure about the year, it has two gain knobs, bass treble and contour, master volume and reverb

amp park by marshall G15RCD 15w., รหัส aae7600778. You get a two channel amp that sounds superb for being a solid state amp and. The thing isn't going to sound like your Marshall JCM 800 or Marshall JVM amp or anything but it was never built to compete with something like that

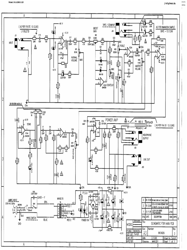
MarshallG15RCD Guit Amp PDF. This used Marshall G15RCD Guitar Combo Amp brings legendary Marshall tone in a compact, affordable package, perfect for practice or small gigs View and Download Marshall Amplification G15RCD instructions online